The model LZCK310-10 is a window type resin casting split core current transformer. Some clients also called it as TTCC. This model can be used both for measurement and microcomputer protection of electrical equipment in 11KV and 35KV AC power system such as such as ABB-Safe Ring/Safe Plus... and cable distribution boxes.
We used imported silicon material and using our mature advanced producing technology we make sure our transformer has very goog linear and more than 20 years using life in order to be qualified with all the jobs. These semicircular ring core and secondary windings are vacuum poured by insulated resin. Ratio from 300/5A to 1000/5A can be customized for user system.
All of our current transformers are strictly comply IEC60044-1, IEC 61869-2, NTC 2205, GB1208-2006, ANSI/IEEE C57.13.


P1, P2 is primary polarity terminal, S1, S2 is secondary polarity terminal.
P2, S2 is homonymous terminals (subtractive polarity).
| Technical parameters | |
|---|---|
| Standards | IEC60044-1; IEC 61869-2; NTC 2205; ANSI C57.13; GB1208-2006; |
| Class | 0.5, 1, 3 |
| Rated primary current | 300-1000A |
| Rated secondary current | 5A or 1A |
| Rated load | ≤10VA |
| Rated frequency | 50Hz or 60Hz |
| Rated short-time thermal current | 40kA, 1S |
| Rated continuous thermal current | 120%I1n |
| Secondary winding power-frequency voltage | 3kV, 1min |
| Instrument security factor | FS≤10 |
| Insulation class | A |
| Material | Polyurethane+silicon steel sheets+enameled wire+ABS |
| Mechanical parameters | |
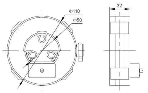
| Dimensions (W×D×H)(mm) | φ50xφ110x32 |
| Jaw cable diameter (mm) | 45 |
| Weight (kg) | 1 |
| Operating conditions | |
| Operating temperature | -40°C to +70°C |
| Daily average temp | <+40°C |
| Storage temperature | -40°C to +70°C |
| Altitude | <3500meters |
| Condition | No existence of severely begrimed, erosive and radioactive gas in the air. Permission of long-term operation under rated current. |
| Type | LZCK310-10 | ||
|---|---|---|---|
| Purpose | Measuring current transformer | ||
| Ratio | Accuracy class and rated load (VA) | ||
| I1/I1 | 0.5 | 1 | 3 |
| 300/1 | 2.5 | 2.5 | 5 |
| 400/1 | 2.5 | 2.5 | 7.5 |
| 500/1 | 5 | 5 | 7.5 |
| 600/1 | 5 | 7.5 | 10 |
| 750/1 | 10 | 10 | 10 |
| 800/1 | 10 | 10 | 15 |
| 1000/1 | 10 | 10 | 15 |
| 300/5 | 2.5 | 5 | 7.5 |
| 400/5 | 5 | 5 | 7.5 |
| 500/5 | 5 | 7.5 | 10 |
| 600/5 | 5 | 7.5 | 10 |
| 750/5 | 10 | 10 | 15 |
| 800/5 | 10 | 10 | 15 |
| 1000/5 | 10 | 10 | 15 |
| Model | Primary rated current | Rated load | Aperture (mm) | Description (mm) | Weight (kg) |
|---|---|---|---|---|---|
| LZCK310-10 | 300-1000A | ≤10VA | φ50 | φ50xφ110x32 | 1 |
| LZCK322-10 | 300-1000A | ≤10VA | φ50 | φ50xφ110x52 | 1.6 |
| LZCK350-10 | 30-1000A | ≤25VA | φ50 | φ50xφ110x105 | 3.1 |
| LZCK720-10 | 30-1000A | ≤25VA | φ80 | φ80xφ110x50 | 2.1 |
| LZCK2500-10 | 30-3000A | ≤30VA | φ120, 140, 160 | φ120xφ185x100 | 7 |
| LZCG530-10 | 30-1000A | ≤20VA | φ45 | φ45xφ120x65 | 2.1 |
| LZCG930-10 | 30-1500A | ≤25VA | φ60 | φ60xφ155x60 | 3.6 |
| LZCT722-10 | 30-1500A | ≤10VA | φ82 | φ82xφ130x55 | 2.3 |
| LZCG2500-10 | 30-3000A | ≤30VA | φ120, 140, 160 | φ120xφ185x100 | 7 |
Be sure to the type, current ratio, accuracy class, rated load and use of the products when you plan to make a order. Special specifications could be customized. All kinds of different specifications and parameters current transformers can be made according to your needs.